Конверторы и инверторы - ЭЛЕКТРОНИКА И СХЕМОТЕХ...
Простые КВ конвертеры на одном транзисторе для ...
Схема КВ-конвертера » S-Led.Ru - Светодиоды и э...
Конвертор напряжения СМЕ6Е купить в Минске | Ко...
ватт и киловатт разница в чем разница
Самодельные КВ и УКВ конвертеры для АМ и ЧМ рад...
KV konvertor
VKV konvertor | Technický web Daniela Platila
Схема КВ-конвертера на двух транзисторах
KV KONVERTOR
Промышленные сети: цели и средства
КВ конвертеры на вещательные диапазоны
Конвертор КВ 56А18Ц-1
КВ конвертер на одном транзисторе - КВ конверте...
Кв конвертеры на вещательные диапазоны
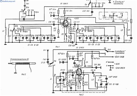
Ламповый КВ конвертер на любительские диапазоны...
Конвертор напряжения СМПЕ3В купить в Минске | К...
Конвекторы с принудительной конвекцией КВП
KV KONV
КВ конвертер на любительские диапазоны - КВ кон...
Спаренные однотактные импульсные конверторы | С...
Схема качественного КВ конвертера » Вот схема! ...
КВ конвертер на микросхеме К237ХА1
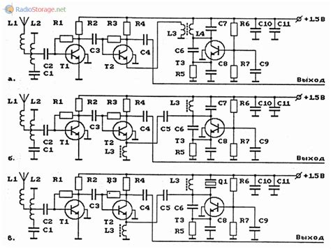
КВ конвертер на двух транзисторах (25, 31, 41м)
КВ Конвертор на 25 метров для радиоприёмника - ...
Многоуровневое преобразование напряжения в высо...
Простой КВ конвертор, подходящий к любому радио...
КВ-преобразователь конвертер 5-15МГц для УКВ пр...