GitHub - Fireflaker/Arduino-AD7705: basic use o...
ARDUINO модуль АЦП НА AD7705 (3 штуки) купить н...
Внешний АЦП | Аппаратная платформа Arduino
AD7705 with Kerry D. Wong library - General Ele...
AD7705 Convertisseur Analogique Numérique 16 Bi...
I do not receive data from AD7707 - Q&A - Preci...
Analog Devices Dual AD7705 Datenerfassung ADC 1...
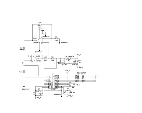
AD7705 SPI Dual differential 16-bit ADC DAQ Sig...
AD7705 analog-to-digital woes — Parallax Forums
arduino due interfacing with AD7705 - Q&A - Pre...
AD7705 Analog-to-Digital Converter: Circuit, Da...
Low Ohm Meter with arduino and AD7705 | Arduino...
AD7705 datasheet(1/32 Pages) AD | 3 V/5 V, 1 mW...
AD7705 Dual 16-bit ADC Data Acquisition Module ...
5pcs AD7705BRUZ AD7705BRU AD7705BR/BN AD7705 AD...
Conectando o conversor ADC AD7705 Programado no...
Modulo Adc 16 Bits Ad7705 Spi Para Arduino Rpi ...
Ad7705 arduino
Dual voltmeter with AD7705 on OLED I2C with Ard...
20Pcs AD7705BRZ AD7705B AD7705-in Integrated Ci...
AD7705 NodeMcu(arduino) SPI Output Data freezes...
Arduino Due interfacing with AD7705 problem? - ...
Dual Voltmeter With Ad7705 On Oled I2c With Ard...
Arduino AD7705 Dvostruki 16-bitni ADC modul za ...
The problem in the connection between the modul...
S2d410c56c7fa44a386019a03a538d186Z.jpg
Arduino ad7705
Store Home Products Feedback
Arduino: Unable to interface AD7705 (SPI) with ...
AD7705 Dual 16-bit ADC Data Acquisition Collect...
AD7705/AD7706 Library – Kerry D. Wong
GitHub - kerrydwong/AD770X: Arduino Library for...