TDA 5140, Tube TDA5140; Röhre TDA 5140 ID61584,...
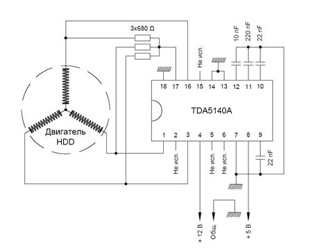
Tda5140a hdd схема подключения
Tda5140 a | PDF
TDA5140A Datasheet(PDF) - NXP Semiconductors
1PCS TDA5140A TDA5140 DIP-18 BEST QUALITY | eBay
Semiconductor: TDA5140A (TDA 5140A) - DC MOTOR ...
запуск мотора HDD с помощью TDA5140A - YouTube
TDA5140A PHILIPS Other Components - Veswin Elec...
TDA5140A/C1.112, ИС управления 3фаз.двиг. DIP18...
Запуск двигателя от HDD. Радиотехника, электрон...
1pcs TDA5140A Brushless DC motor drive circuit ...
50Pcs Tda5140A Encapsulation:Dip18Brushless Dc ...
Tda5140a схема подключения - 91 фото
True Freezer Wiring Schematic - Wiring Diagram
TDA5140A PHILIPS INTEGRATED CIRCUIT NOS ( New O...
5 CÁI TDA5140A TDA5140 DIP-18 Còn hàng | Shopee...
1 pçs/lote TDA5140A TDA5140 DIP 18 Em Estoque|i...