Подсветка LG 42LB570V купить в интернет-магазине
Martech Led Bar
LG 42LS570S | ExaSoft.cz
[email protected]
ᐅ LG 42LS570s (LED) - Ceny, opinie, dane techni...
LG 42LS575S Full HD Smart Led Tv (LG Türkiye) -...
LG 42LS570S LED TV - LED TVs - archive - TV Pri...
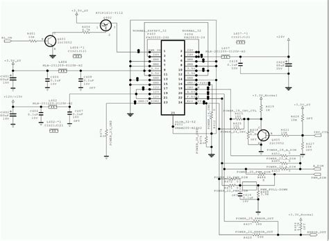
LCD LG 42LS570S - Nieregularne wyłączanie podśw...
New 60led 525mm Led Backlight Strip For Lg 42ls...
LG 42LS570S - Основные технические характеристи...
Светодиодная подсветка для телевизоров lg 42ld4...
LED ТВ LG 42LS570T отключается подсветка | TV S...
LG 42LB572V подсветка купить в интернет магазине
[Kupię] Matryca lub TV z matrycą do LG 42ls570s...
LED подсветка для LG 42LS570S - купить по выгод...
Телевізор LG не включається Діагностика і ремон...
Telewizor LG 42LS570S - wyłączanie podświetleni...
Led backlight for 42inch LG Innotek 42LS5600 ZC...
Télévision - LG 42LS570S rétroéclairage ok mais...
LG 42LS570S - Smart TV - LED TV - LG Electronics
Akcesoria do sprzętu prezentacyjnego Primezone ...
Telewizor LG 42LV570S - stan idealny! Szprotawa...
New 60LED 525mm LED backlight strip for LG 42LS...
Светодиодная подсветка для телевизора lg 42ls56...