SHW A240S - YouTube
모아하드웨어,전기용품 쇼핑몰, 아파트 시설자재 ...
SHW-A240S / SCH-Z140S 와이즈 모던 폴더폰 리뷰입...
Chp11 Notes | PDF
CHP11-A110S / 디바이스마트
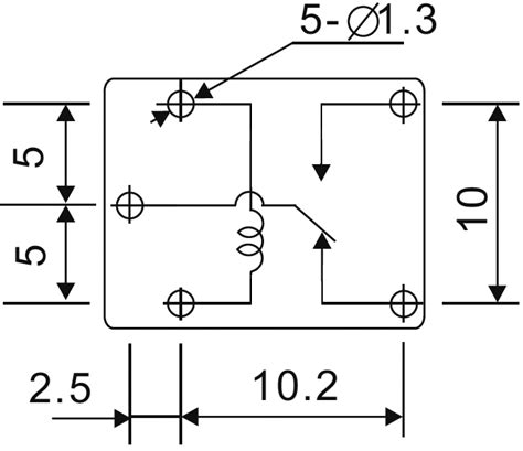
Chp11 a240s схема подключения реле
TEXCELL-텍셀-CHP11-D12S/사핀릴레이/자동제어릴레...
SKT용 삼성전자 와이즈모던 SHW-A240S 알뜰폰 | 중...
[모빙 효도폰 2탄] 와이즈모던 SHW-A240S : 네이버...
와이즈모던 SHW-A240S 미사용 S급 신품급 새제품 ...
CHP11-A240S 15A 250V Relay Recycling - Retroamplis
SKT용 와이즈모던 SHW-A240S 알뜰폰 폴더 | 삼성 |...
Hlavní charakteristiky armatur A240
SHW-A240S 555555123330 - YouTube
애니콜 와이즈 모던(SHW-A240S) 전원 ON/OFF - You...
삼성휴대폰 와이즈SHW-A240S 팝니다 | 삼성 | 중고...
애니콜 SHW-A240S 사진과 스펙
삼성 3g 폴더폰 a240s | 중고나라 카페에서 운영하...
SHW-A240S(와이즈모던 폴더) SKT 3G | 세컨웨어
A110 Datasheet(PDF) - C&K Components