Кедр Авто 4A Зарядное Устройство Инструкция - c...
Audi Q4 разминается на Нюрбургринге Allroader.ru
Кедр авто 4А - не включается
Устройство зарядное автоматическое инструкция
Зарядное Устройство Кедр Авто 4А Инструкция Вид...
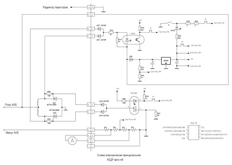
Схема зу кедр авто 10а
Allur - официальный дилер Kia в Астана
Инструкция Кедр 4А - allthingsinstruction
Описание работы схемы кедр авто 4а - фото
Авто для ЗСУ
Склад авто
Пин от пользователя Czeski91 на доске Autka | Б...
Как работать с кедр авто 4а
Зарядное устройство кедр авто 10а схема - Схемы
BMW Z4 - Auto titre
Зарядное Устройство Кедр-авто 4а Инструкция По ...
Kia показала первые изображения седана K4 — Kol...
Как пользоваться зарядным устройством для аккум...
Электромобиль купить в Украине, цена от 12000$ ...
Ремонт зарядного устройства КЕДР 4А | Мелкий ре...
Зарядное устройство «Кедр»: обзор и правила экс...
Важно! Ето кои дизелови автомобили са забранени...
ᐅ С_Авто - Доставка авто з США, Європи та Китаю...
Не работает режим цикл "разряд-заряд" в ЗУ Кедр...
Устройства зарядные «Кедр»: характеристики и пр...
Зарядное устройство КЕДР-Авто 4А и КЕДР-Авто 12В
AUTO / авто із аукціонів Європи | Kyiv
Fiche technique BMW Z4 - Auto titre
Ауди a4 allroad quattro (81 фото) - hdpic картинки