УСИЛЕННОЕ ПРАВИЛО ТИП h ОЛЕЙНИК| РОВНОЕ ПРОЧНОЕ...
3.3 Умовності та спрощення
3.6. Условие прочности при кручении
6. Строительная обноска, назначение и требовани...
Правило 3м - YouTube
Вынос в натуру элементов здания или сооружения ...
Правило трёх сигм
TDO | Zadání
3 Закона Набора Массы, Которые Ты Нарушаешь! (С...
3. Оборудование, инструмент и образцы,
3.2.Вибір допустимих напружень
3. Метод сил
3.3.3. Холодне штампування - Бібліотека BukLib.net
Вытяжение, усиление и расслабление 3в1 ️🔥 #тре...
3.8 Расчет величины усилия запрессовки
подайте в стандартному вигляді одночлени -4м²р•...
Третий закон Ньютона - презентация онлайн
Lekcija_7-2015
Правило трёх - YouTube
Виды опор балок
Правило знаков для продольной силы n.
3.3. Обчислення коефіцієнта поперечного розподілу
Правило 1м | Цементный Двор
Правило 3м купить — купить по низкой цене на Ян...
Глава 7
Правило "3 плюс 1" - самоподдержка - YouTube
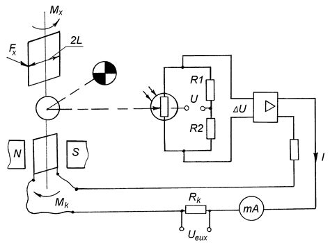
3.3 Вимірювання механічних сил та тиску
Тіло, занурене на 3/5 свого об’єму, плаває в не...
Наприклад, для інтервалу розмірів понад 18 до 3...
3 Устойчивость при опрокидывании
Методика очищения от Елены Шведовой Минус 3 сан...
3.3 Завдання 8