Монтажный клей момент МВ 70 250г Суперсильный ж...
Клей монтажный момент мв 70 – Telegraph
Купить Момент Монтаж Суперсильный МВ-70 белый 4...
Основной боевой танк МВТ-70
Момент Монтаж Суперсильный Прозрачный МВп-70 28...
Момент Монтаж Суперсильный МВ70 - купить с дост...
Основной боевой танк MBT-70 | Энциклопедия воен...
Монтажный клей Момент МВ-100 Супер сильный 400 ...
MBT-70/Kampfpanzer-70 - Implemented Suggestions...
Опытный танк MBT70
Двигатель M70. Характеристики, модификации мото...
Празднование 70-летия победы в Сталинградской б...
Der MBT-70 (Kampfpanzer 70) - Mittlere Panzer -...
Обои пистолет, оружие, Czech, VZ 70 на телефон ...
Масована ракетна атака: застосовано 70 засобів ...
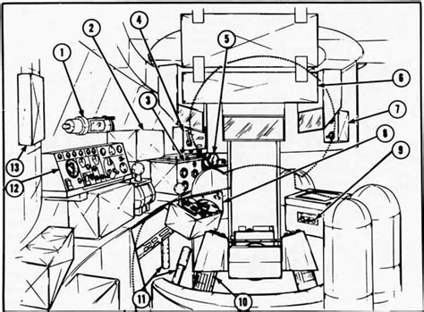
НОВЫЙ ОСНОВНОЙ ТАНК США И ФРГ МВТ-70
Монтажный клей Момент Жидкие гвозди Монтаж Супе...
“Дєди воєвалі”: росіяни відправили на фронт зен...
Момент Монтаж Суперсильный прозрачный МВп-70
Тензодатчик Тензо-М М70К-С3-10т
М-70
Pin on Closet
70 военнослужещи действат в засегнатите от наво...
Момент Монтаж суперсильный МВ-70 (400г) Клей ку...
m70
Македонски БТР-70 воени возила уништени се во У...
Точност 70%: Темпото на ходене предсказва риска...