Рлс П 15 Фото – Telegraph
Бренды
полско реле, електромагнитни релета R15 24 волт...
ساخت ایران| دوربینی که موقعیت تک تیراندازها را ...
PT-REZ15 | Panasonic Connect
150штук реле РЭС15 (проверка , аффинаж) - YouTube
Brand new RE 15 1 A15| | - AliExpress
РЭС-15: Содержание драгметаллов в реле
Серебро с Реле РЭС15. Выход с 257 штук - YouTube
Сколько платины в РЭС15 и что внутри реле РМУГ ...
RE-1515S Recom Power - Datasheet PDF & Technica...
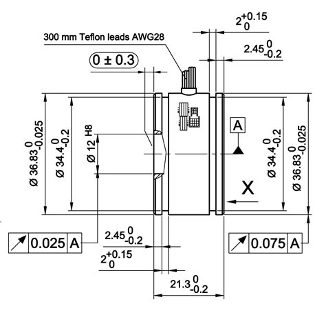
Resolver RE-15 - LTN Servotechnik GmbH
Реле РЭС 15 паспорт 11 - Продам-Отдам, Услуги -...
Р1.15 - Музей электронных раритетов
First glimpse of the RB15
ra15.jpg | Servimg.com - Free image hosting ser...
LTN RE-15-1-A15 ⚡ check our wide offer and orde...
Business & Industrial LTN Resolver RE-15-1-A84 ...
РЭС-15
РЭС16 - Музей электронных раритетов
ra15.png | Servimg.com - Free image hosting ser...
"Реал" кешірмейді! Кроос әдемі қоштасты! - YouTube
🔥 "Рамштайн-15": РФ ожидала ПАДЕНИЯ ареала подд...
LTN Servotechnik RE-15-1-V16 - IMS Supply
На что способен карабин RA-15? Давайте проверим...
Продам реле РЭС15
RS-15 Overview - YouTube
Полско реле, релета R15 24В= 4 контакта х 5 Амп...
Обзор на р15 часть 1 - YouTube
15 RU