Расчет проволочных кв антенн
Що таке транзистор - простими словами
Крутизна усилителя на полевом транзисторе
Принцип работы транзистора. Для чего нужны тран...
Простые антенны диапазона 144 MHz.
Антенна для транзистора своими руками
Как подобрать, собрать и настроить антенну для ...
АНТЕННА • Большая российская энциклопедия - эле...
Купить MF/HF/VHF SDR антенна MiniWhip Коротково...
Купить Антенна Mini-Whip Mf/Hf/Vhf Sdr, активна...
Конструкция двухдиапазонной антенны (3,5 и 7 МГ...
Антенни усилватели за радио и телевизия
Схема подключения широкополосной антенны
Купить Антенна MF/HF/VHF SDR, активная Коротков...
Полевой транзистор с управляющим p-n переходом:...
Активная антенна для приемника • HamRadio
Устройство и принцип работы транзистора » Школа...
Антенные усилители для телевизора: подключение,...
7.1. Полевой транзистор с управляющим p-n-перех...
Рамочные антенны кв диапазона
Активная коротковолновая антенна Mini-Whip свои...
Складная антенна 145мГц. - УКВ антенны - Антенн...
Как проверить транзистор мультиметром: инструкц...
Транзистор | это... Что такое Транзистор?
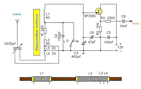
Приёмник прямого усиления на пяти транзисторах
Согласующий трансформатор для рамочной антенны
Как установить антенну для рации своими руками
Что такое транзисторы и как они работают — Журн...
Основные типы антенн. Конструкция антенно-фидер...
КВ Антенны — R3RTambov
Receiving whip antenna - купить недорого | AliE...