Преобразователь постоянного напряжения в постоя...
4 типа Преобразователей постоянного напряжения ...
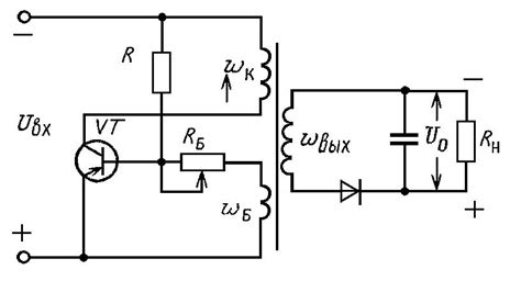
Преобразование постоянного напряжения в постоян...
Преобразователи постоянного напряжения - презен...
Как повысить напряжение постоянного тока схема
Преобразователи постоянного напряжения
DPS3012 Постоянное Напряжение Ток понижающий пр...
Инвертирующие преобразователи постоянного напря...
Простой преобразователь постоянного напряжения ...
цифровая связь Регулируемый понижающий преобраз...
Расчет схемы повышающего преобразователя напряж...
Преобразователь постоянного напряжения 12 В в п...
Постоянное напряжение в переменное
Резонансный преобразователь постоянного напряже...
Преобразователи напряжения постоянного тока
Преобразователи напряжения: виды, особенности и...
3.3 Преобразователь постоянного напряжения в по...
Как повысить постоянное и переменное напряжение...
Преобразователь напряжения: описание устройства...
Преобразователь постоянного напряжения - Режимы...
Простой преобразователь постоянного напряжения
Преобразователь постоянного тока с ЧПУ, 1200 Вт...
Структурная схема преобразователя напряжения по...