Индикаторы световые LB8A • UnitMC
Блок индикации напряжения с встроенным реле, ти...
Индикатор напряжения для сборок литиевых батаре...
Простой индикатор уровня заряда литий-ионного а...
Индикатор напряжения аккумулятора
Индикаторы - РетроРадиоДеталь
LabEE1 (1) - Стр 4
Индикатор напряжения 1AC-D купить по выгодной ц...
Индикатор емкости Li-Ion АКБ 1S-4S - купить в М...
Очень простой Светодиодный индикатор напряжения...
Бортовой тестер-индикатор напряжения Li-Po 1-6S...
Купить 1 ШТ. Электрический индикатор 90-1000 в ...
Светодиоден индикатор на мощност - КСП Електроникс
Каталог Индикатор напряжения с отверткой ИНО-1М
Индикатор напряжения + прозвонка
Индикатор напряжения на DIN рейку RBUZ V1 купит...
Тестер-индикатор напряжения 1-8S Lipo / Li-Ion ...
LB-1R Voltage Indicator бЛок индикаЦии напРяжен...
Индикаторы световые LB6-25Z • UnitMC
Бесконтактный индикатор напряжения Fluke LVD1 и...
Индикатор напряженности поля - Наши схемы - Кат...
Блок индикации напряжения, тип: LB-1-Т « Катало...
Светодиодный индикатор напряжения
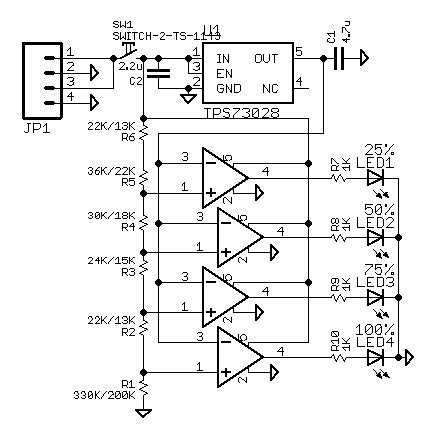
4-х уровневый индикатор напряжения | Радиолюбит...
Блок индикации напряжения LB-1R - МЭКСА-ком