Локомотив 06 303 на ТБД прави маневра в Русе Ра...
Не Выключается Moc3063 - Автоматика - Форум по ...
ЧМЭ3-3066 — Фото — RailGallery
3063 en
Вестник ПВО
Модель №6303
MOC 3063 = TLP3063 | ONSEMI Optotriac+ZCD 4,17k...
Бюро Сити 3063
Маз-303 отъезжает от остановки станция метро Мо...
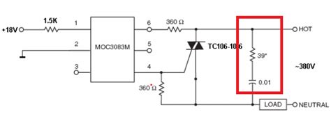
Схема подключения мос3063 - 90 фото
Мос3063 схема подключения
Плоскоструйные форсунки 3061 и 3063 - YouTube
ЧМЭ3-6063 — Фото — RailGallery
Мос3063 характеристики схема подключения - 80 фото
МАЗ 6303 АССЕНИЗАТОР 15м³ - YouTube
MOC3063
Москва, Ф* № 3066 — Фото — Городской электротра...
5PC NEW MOC3063 CT3063S/CT3063/MOC3063S-TA1/M #...
Интегр.схема MOC3063M - КСП Електроникс
100pcs/lot Moc3063 3063 Dip New Original - Repl...
IMG_3063 | Ιερά Μητρόπολις Φθιώτιδος | Flickr
Мос3063 схема включения
3063 - תומס - עיצוב ותכנון תאורה
MOC3063M
آی سی MOC3063 اپتوکوپلر نوع فوتو تریاک1 کاناله
3063
Обвязка симистора MOC3063 - Песочница (Q&A) - Ф...