ES2.2R Траверса 2 тонны для подъёмника или ямы ...
Траверса (Канавный подъемник) 2,5 тонны - Прода...
Нижняя траверса грейфера грузоподъемностью 2 то...
Траверса гидравлическая 2000кг Т2, новый, в нал...
Траверса гидравлическая EQFS ES2.2R, 2 тонны ку...
Вакуумная траверса max вес 20 тонн Размер листа...
Гидравлическая траверса с ручным насосом AE&T 2...
Траверса П-образная двойная БТП2.40.80.1500.2.2...
Траверса до 2 тонны, новый, в наличии. Цена: 2 ...
Ручная гидравлическая траверса Станкоимпорт на ...
Траверса ТМ-2 | ЗМК Сибири, Завод металлических...
Траверса ТС-1 (3.407.2-162.4 1КМ) 270,0 кг
Ручная гидравлическая траверса Станкоимпорт 2 т...
N423 NORDBERG Траверса гидравлическая г/п 2 тон...
Траверса ТМ 2 купить в Москве по договорной цен...
Траверса тип 2 (линейная с двумя точками подвес...
Траверса ТН2
Траверса монтажная 20х30х3000 тип 2 (STARFIX) к...
Траверса грузоподъемностью 2 тонны длина 1600 м...
Траверса Getrag 262CR, установка (Часть 1) — ГА...
Траверса ТН-2 - Энергопром
Пневмо-гидравлическая траверса Станкоимпорт на ...
Траверса монтажная Т-2 L-образный 30x30x2 м., ц...
Траверса гидравлическая 2 тонны TT2 — купить в ...
Линейная траверса тип 2 с несколькими точками к...
Траверса ТМ-2 цена купить в Екатеринбурге - СЕТ...
Траверса ТМ-2
Траверса П-образная двойная БТП2.40.80.1000.2.1...
Траверса ТН-2
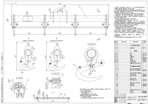
Траверса Q=2 тонны - Чертежи, 3D Модели, Проект...
Траверса 25 тонн с 4 - мя зацепами - Чертежи, 3...
Траверса ТН-2 (3.407.1-136.01.02) 2,70 кг