Карбюратор К151 ГАЗель: способы устранения неис...
Карбюраторы К-151,К-151С, К-151Д,К-151Т на Газе...
Карбюратор К-151 б/у К151В б/у К-151С новый на ...
Карбюратор К-151 Газель, Волга Двигатель 402 (п...
Правильная настройка карбюратора к151д
К-151 карбюратор: устройство и неисправности
Карбюратор К- 151: 1 350 грн. - Карбюратори Киї...
Карбюратор К 151: 1 500 грн. - Карбюратори Одес...
Купить Карбюратор К-151Т Газель дв.4215 (пр-во ...
Карбюратор К-151 ГАЗель. | Автотема
Как отрегулировать карбюратор к 151?
Карбюратор К-151Д Дв. ЗМЗ 406, Волга, Газель, С...
Карбюратор к 151 д купить в Куровском | Авито
Карбюратор к-151 подключение шлангов газель 402...
151 Карбюратор Описание - orionservis
Карбюратор Газ DK К-151Д (406 Дв.) Газель — Куп...
Карбюратор К 151 Газель, Волга, УАЗ: 4 600 грн....
Доработка карбюратора к 151 - АвтоТоп
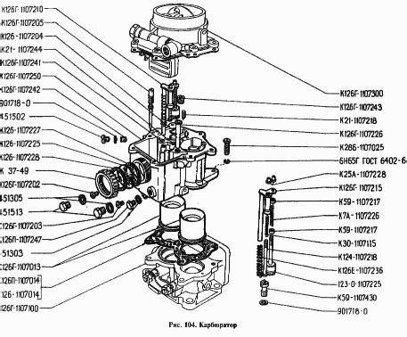
Описание карбюратора К-151
Как отрегулировать карбюратор К-151
Разборка и сборка карбюратора К-151
К-151 Ремкомплект карбюратора Газель дв.402 (ID...
к 151 ремонт карбюратора к151 Ремонт автомобиля...
Карбюратор К-151 Газель, Волга: 1 000 грн. - Ка...
Карбюратор К 151 - partsnetweb
Карбюратор К-151 "Пекар" ГАЗ ЗМЗ 402 дв. - PEKA...
Регулировка карбюратора К-151 на УАЗ
К-151 Карбюратор,МКАРЗ — Ремавтоснаб