MP3398 Datasheet Meta Search
MP3398 (PIN) chip LCD power management chip|Rel...
New&original MP3398A MP3398AGF Z |Replacement P...
Mp3398a Circuit Diagram
MP3398H | 4-String, Max 400mA/String, 80V Retur...
MP3398A SOP-16 5pcs/lot MP3398A SOP-16 5pcs/lot
MP3398A datasheet(1/20 Pages) MPS | Step up, 4 ...
3d number 398 hi-res stock photography and imag...
Free Delivery. MP3398A MP3398GS LF Z MP3398 16 ...
(10piece) 100% New MP3378EGF Z MP3378E MP3378 s...
5pcs MP3398G MP3398GS MPS3398 MP339B MP3398 MP3...
MP3398D Datasheet(PDF) - Monolithic Power Systems
398
5PCS-LOT-MP3398AGS-SOP16-MP3398GS-SOP-16-MP3398...
2pcs/lot MP3398E MP3398 DIP 16 In Stock|Integra...
3PCS MP3398AG MP3398AGY MPS3398 MP339B MP3398 M...
10 PCS MP3398 MP3398A MP3398AGF Z LCD power sup...
MP3398 datasheet
10pcs MP3398 MP3398A MP3398AGF-Z TSSOP-16 | eBay
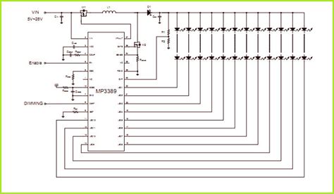
MP3389
5pcs-lot-MP3398-MP3398A-MP3398AGF-ZTR-MP3398GS-...
10pcs MP3398AG MPS3398A MP3398A Integrated Circ...
MP3398AGS datasheet(1/6 Pages) MPS | 4 strings ...
MP3398E Datasheet(PDF) - Monolithic Power Systems
5PCS-LOT-New-Original-MP3389-MP3389EF-MP3389-TS...
5pcs/lot Mp3398 Mp3398a Mp3398agf-z Tssop-16 - ...
398 number vector font alphabet. Number 398 wit...
MP3398A Datasheet(PDF) - Monolithic Power Systems
10PCS MP3398 MP3398AGF-ZTR MP3398GS-LF-Z | eBay
{ New original } 5pcs MP3398A MP3398 SOP 16|Rem...
М 398 в свободной продаже! - YouTube