Блок питания, 350W, Foxconn model: ISO-450PP 4S...
Обзор блока питания ISO-450PP
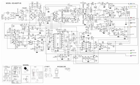
Схема компьютерного блока питания ISO-450PP 4S
Блок питания для компьютера ISO-450PP — Купуйте...
Блок питания ISO-450PP купить в Москве | Электр...
Блок питания iso 450pp схема
Power supply ISO ISO-450PP 4S - 350W
Блок питания ISO-450PP 350W купить в Казани | Э...
Блок питания ISO-450PP 4S, б/у, в наличии. Цена...
Блок питания ПК ISO-450PP 4S — Купуйте на Newau...
Блок питания ISO-450PP 4S 350w купить в Нижнем ...
Блок питания 450W ISO | Festima.Ru – частные об...
ISO ISO-450PP 4S 350W ATX PSU Power Supply
БУ Блок Питания 350W ISO-450PP (20+4pin, 1x80мм...
Блок питания ISO Switching Power Supply ISO-450...
Ремонт блока питания ATX ISO-450PP — GalaxyBrain
Блок Питания Iso-450Pp - ATX и UPS - Форум по р...
Блок питания ISO ISO-450PP 450Вт, б/у, в наличи...
450W ISO ISO-450PP 100% OK @dC za 251 Kč - Allegro
Блок питания iso-450pp-4s - YouTube
ISO ISO-450PP 350W ATX Power Supply at MicroDre...
Блок питания ISO-450PP Москва | Комьютерные акс...
ISO ISO-450PP 350 Watt Power Supply
Отзывы о Блок питания ISO-450PP 4S ATX
Блок питания для компьютера ISO-450PP 400w: про...