Эван Expert 9 цена - купить электрический котел
Смотреть каталог Эйвон 9 2014 онлайн
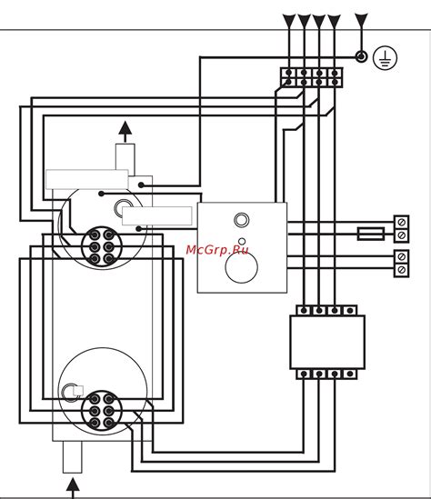
Эван ЭПВН 84 [9/9] Рисунок 3 электрическая схем...
Электрический котел ЭВАН WARMOS START - 9 Цена:...
Ліцей №9 імені Євгенія Єніна - YouTube
Проточный электроводонагреватель ЭВАН В1-9 (9 к...
Левски няма грешка - 9 от 9 е в първенството
Прочетете какво ще се случи утре (9 февруари) в...
Отопительный электроприбор ЭВАН NEXT- 9 12909 -...
ЭВАН ЭПО - YouTube
Эван - YouTube
Эван C9 инструкция
9-В
Эван ЭПВН-12 [9/10] Рисунок 8 электрическая схе...
«Созидание истинного Храма...»|Ефесянам 9 часть...
Марк пӗлтернӗ Ырӑ Хыпар 9-мӗш сыпӑк | Евангелие...
9. évad 9. évad teljes epizódok online lejátszása
Эван WARMOS-M 18 [9/10] Блок управления
#эванс ПОСЛЕДНИЙ СТРИМ ПЕРЕД УДАЛЕНИЕМ КАНАЛА -...
Эван Warmos-IV 18 [9/10] Котёл
Эван ЭПВН 24 [9/11] Внимание
Эван ЭПО-36 [9/10] Порядок работы
Электрический котел ЭВАН 9 кВт Warmos START - к...
Эпизод 9 - YouTube
Блок ТЭН для котла ЭВАН 9 кВт (фланец G2" 220/3...
Эван С1 12 [9/10] Рисунок 7 электрическая схема...