Реле тока РТ-40 - принцип действия и характерис...
Реле тока серии РТ40
Реле РТ 40/6 УХЛ4
Реле тока РТ-40/0,2,РТ-40/0,6,РТ-40/2,РТ-40/6,Р...
РТ-40, РТ-140 реле максимального тока. Характер...
Реле максимального тока РТ-40. Описание констру...
Реле тока рт 40 – 40
Реле тока РТ-40/0,2,РТ-40/2, РТ-40/0,6, РТ-40/6...
РТ 40 купить б/у в Екатеринбурге по цене 450 00...
Рт 40у реле тока: Реле контроля тока РТ-40 У ко...
Реле тока РТ-40/6 купить оптом от 2 100 руб./шт...
Рт 40 06: РТ-40-06 - Рычаг регулировочный тормо...
Реле тока РТ-40, РТ-140 - расшифровка, содержан...
Регулятор тормоза ПАЗ РТ-40-06/РТ-40-07 купить ...
Реле тока РТ 40/6 УХЛ4 - купить по выгодной цен...
РТ-40. Устройство. Работа. | ЭЛЕКТРОлаборатория
РТ-40/6 УХЛ4 п.п. Реле тока .01 артикул 2104000...
РТ-40/0.2, РТ-40/2, РТ-40/6, РТ-40/10, РТ-40/20...
Реле тока РТ40/10, РТ 40/6, РТ40/20, РТ40/50, ц...
РТ 40/Р - реле тока - Релейная лаборатория
РТ-40/0,6 реле тока - ТОВ "ЕЛЕКТРОПРОМОПТ"
Рт-40/0.2, Рт-40/2, Рт-40/6, Рт-40/10, Рт-40/20...
Регулятор тормоза правый ПАЗ-3205, 4230 (трещет...
Реле РТ-40/6 УХЛ4 купить в Самаре цена 2000 Р н...
РТ-40/6 реле тока - ТОВ "ЕЛЕКТРОПРОМОПТ"
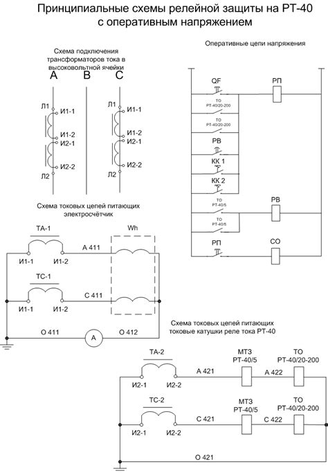
Релейная защита на РТ-40 – просто и эффективно
Какими способами регулируются ток срабатывания ...
Реле тока РТ 40 принцип работы – Tokzamer
Регулятор тормоза РТ-40-06/07 - цена, купить в ...