Приставки для мультиметра своими руками схемы
Приставка к мультиметру для измерения ЭПС конде...
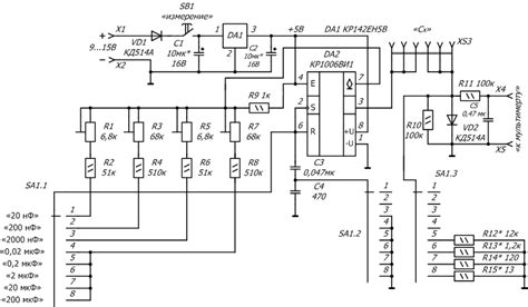
Схему приставок к мультиметру
Приставка для измерения малых емкостей для муль...
Измеритель емкости и ЭПС оксидных конденсаторов...
Приставка к мультиметру для измерения емкости в...
Приставка к мультиметру для измерения емкости к...
narkissa : приставка к мультиметру измерение с
Измеритель ESR конденсаторов на базе мультиметр...
Измеритель емкости конденсаторов своими руками:...
Приставка для измерения емкости
Мультиметр для измерения емкости конденсаторов
Esr конденсатора схема
Приставка для мультиметра измеритель емкости ко...
Приставка к цифровому мультиметру для измерения...
Измерительные приставки к мультиметру своими ру...
Приставка к мультиметру для измерения ESR конде...
Мультиметр для измерения емкости конденсаторов ...
Приставка к мультиметру для измерения ёмкости к...