Термомайзер Р-2.Т, купить автоматический регуля...
Терморегуляторы батарей отопления - как выбрать...
Регулятор-ограничитель температуры теплоносител...
Принцип работы терморегулятора: что это такое, ...
Регулятор температуры для теплого водяного пола...
Температура теплоносителя в системе отопления: ...
Какая должна быть температура теплоносителя в с...
Термореле с выносным датчиком температуры: пара...
Регулятор температуры FJV Danfoss ДУ20 внутр. р...
Регулятор температуры радиаторный РТР
Классификация и принцип работы регуляторов темп...
Регулятор температуры теплоносителя BW 31 PN 25...
Автоматический регулятор температуры воды в сис...
Автоматическая температура отопления. Комфорт и...
Термометр и терморегулятор
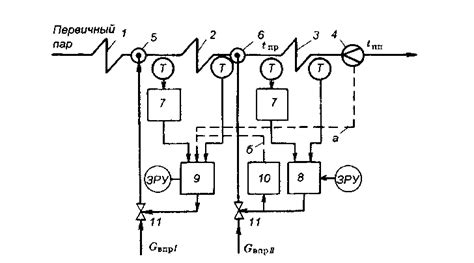
13.3. Регулирование нагрева теплоносителя при м...
Узел регулирования температуры теплоносителя DN...
Параметры теплоносителя системы отопления много...
Регулятор температуры прямого действия: классиф...
РусНИТ 221НM [5/20] Регулятор температуры воды ...
Регулятор температуры теплоносителя BW 31 PN 40...
Как установить термоголовку на радиатор отоплен...