Галерея
Дистанционный пульт для телевизора xiaomi
Жалюзи на окна рулонные тканевые стоимость
Жтх 1650
Запчасти на гбо 4 поколения
Зацепина жукова музыкальное воспитание в детском саду 3 4 года
Ип 212 52т
К029
Как включить колонку алиса мини через телефон
Камни вокруг печи в бане
Капа для зубов стоматологическая купить в аптеке
Каплеуловитель лабораторный
Катафаст купить
Катушка зажигания 154f
Клетка для совы купить
Кляп хвост
Книга по травничеству
Книжный шкаф 3 метра
Компрессионные чулки больших размеров на широкое бедро
Корона для снежной королевы
Корсет при диастазе мышц
Костюм с инопланетянами надувной
Костюм хаки мужской для леса и рыбалки
Кресло из натурального ротанга с подушкой
Кронштейн габаритного фонаря газель
Кронштейн переднего бампера хендай акцент
Круглый стол в скандинавском стиле
Крышка расширительного бачка сузуки гранд витара
Купить диван выдвижной вперед с ящиком для белья
Лего ниндзяго пс4
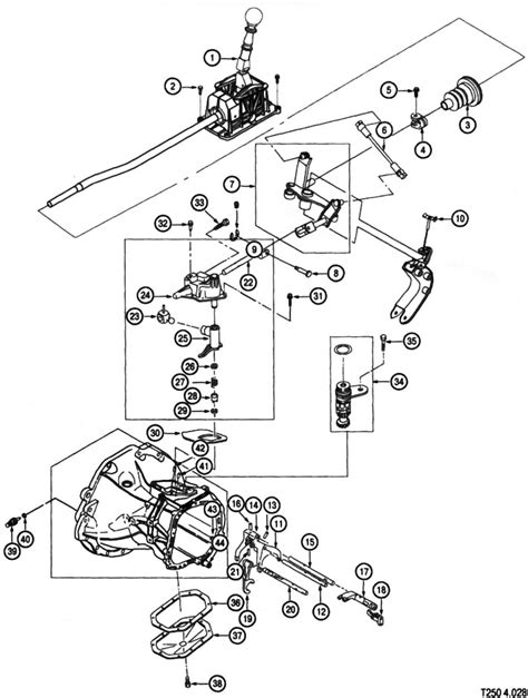
Механизм выбора передач авео т250
« Пред.
1
...
37
38
39
40
41
...
291013
След. »